STC-RBS323GV2CF-W
Specification Sheet
Specifications
| Product Model | STC-RBS323GV2CF-W |
|---|---|
| Camera Type | Area Camera |
| Resolutions | 3.2MP |
| Color / Monochrome |
Monochrome |
| Effective Pixels | 2,448 (H) x 1,536 (V) |
| Frame Rate | 87.4 fps |
| Interface | GVIF2 (with GVIF frame grabber board) |
| Protocol | GVIF2 |
| Power Supply | Power over GVIF (+12V) |
| Power Consumptions | Less than 3.3 W |
| Operational Temperature | Lower limit: 0 deg. C (Environmental temperature) Upper limit: +65 deg. C (Housing temperature) |
| Storage Temperature | Lower limit: -25 deg. C (Environmental temperature) Upper limit: +80 deg. C (Environmental temperature) |
Sensor
| Image Sensor | SONY IMX900 |
|---|---|
| Shutter Type | Global Shutter |
| Optical Size | 1/3.1" |
| Cell Size | 2.25 (H) x 2.25 (V) µm |
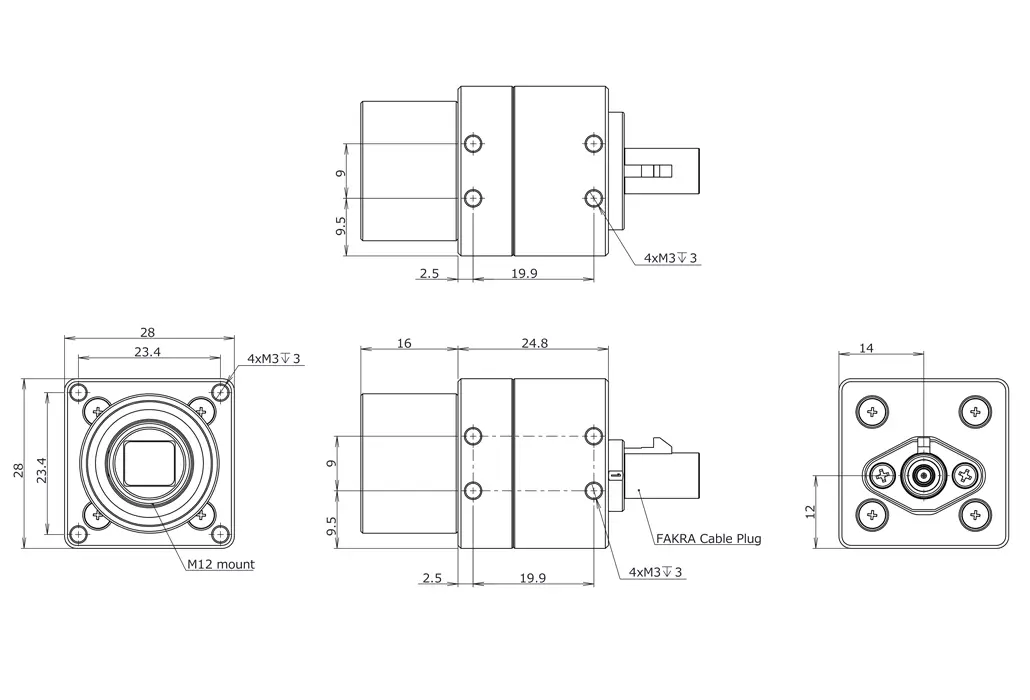
| Dimensions | 28 (W) x 28 (H) x 40.8 (D) mm (IP67) |
|---|---|
| Weight | Approximately 58 g |
| Lens Mount | S Mount |
| Optical Filter | No optical filter |
| Interface Connector |
FAKRA x 1 (Shared power and signal connector) |
| Power / Signal Connector | FAKRA x 1 (Shared interface connector) |
| Scanning Mode | Full scanning / ROI |
|---|---|
| Operational Mode | Edge preset trigger / Free-run |
| Image Pixel Format |
Mono8 / Mono10 / Mono12 Mono10 Packed / Mono12 Packed |
| Exposure Time | 20 µseconds to 2 seconds |
| Analog Gain | 0 to 42.0 dB |
| Digital Gain | x1 to x7 |
| Gamma | 0.10 to 4.00 |
| Binning | x2 horizontal and vertical simultaneously / Off |
| Decimation | x2 horizontal and vertical simultaneously / Off |
| Image Flip | Vertical flip / Horizontal flip / Vertical and horizontal flip/ Off |
| Defective Pixel Correction | Up to 1,024 pixels |
| Save User Settings | Support (Eight settings) |
| White Balance | N/A |
| FFC (Flat Filed Correction) Function | Support |
| Auto Control Function | Auto exposure / Auto gain |
| Chunk Function | N/A |
| Event Function | N/A |
| PTP Function (IEEE1588) | N/A |
* As this product is under development, the specifications described are subject to change without notice.
Dimensions

Spectral Characteristics
Related Documents Downloads
Documents Download Information
This page uses cookies* to enhance user convenience.
When you download materials for the first time, please fill out the required fields in the application form below.
From the second time onward, if you access from the same browser, the input will be skipped and you can download the materials immediately.
The personal information you provide through the form will be used only for the purpose of operating this service, such as providing information about our services.
Your information will be managed securely, so please use this service with confidence.
Document Downloads
If this is your first time to download materials, you will be redirected to the document download request form.
General Catalog Download
Product Inquiry
【STC-RBS323GV2CF-W】,
please contact us here.
Product Categories
Contact
For any questions about our products and services,
including specifications and technical support, please feel free to contact us.
Headquarters,
Sales Department+81 46236-6660
Newsletter Subscription
Stay up-to-date with our latest news, including new product releases,
information on discontinued products, and upcoming trade shows.