STC-MCE132U3V
SPEC
スペックシート
仕様
| 型番 | STC-MCE132U3V |
|---|---|
| カメラタイプ | エリアカメラ |
| 解像度 | 1.3MP |
| カラー/モノクロ | カラー |
| 有効画素数 | 1,280 (H) x 1,024 (V) |
| フレームレート | 60.0 fps |
| インターフェース | USB3.0 |
| プロトコル | USB3 Vision 1.0.1 |
| 電源 | USBバスパワー (+5 V) |
| 消費電力 | 2.0 W以下 |
| 動作温度 | 下限: 0 ℃ (周辺環境温度) 上限: +40 ℃ (周辺環境温度) |
| 保存温度 | 下限: -30 ℃ (周辺環境温度) 上限: +70 ℃ (周辺環境温度) |
センサ
| センサ型式 | Teledyne e2v EV76C560 |
|---|---|
| センサシャッタタイプ | グローバルシャッタ/ローリングシャッタ |
| センササイズ | 1/1.8" |
| センサ画素サイズ | 5.3 (H) x 5.3 (V) µm |
機構
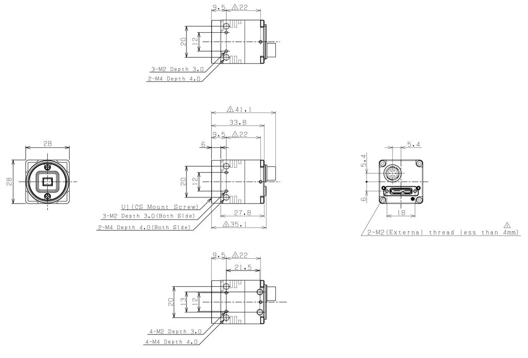
| 外形寸法 | 28 (W) x 28 (H) x 33.8 (D) mm |
|---|---|
| 質量 | 約 38 g |
| レンズマウント | CSマウント |
| 光学フィルタ | IR カットフィルタ有り |
| インターフェース コネクタ |
USB3.0 micro B x 1 個 |
| 電源・信号コネクタ | HR10A-7R-6PB (ヒロセ電機) 相当品 x 1 個 |
機能
| スキャンモード | フルスキャン / ROI |
|---|---|
| 動作モード | エッジプリセットトリガ / フリーラン |
| 画像出力 フォーマット |
BayerRG8 / BayerRG10 |
| 露光時間 | 15.72 µ秒 ~ 1.03 秒 |
| ゲイン (アナログ) | 1 ~ 3.96 倍 |
| ゲイン (デジタル) | 1 ~ 3.98 倍 |
| ガンマ | 0.1 ~ 4.0 |
| ビニング | N/A |
| デシメーション | x2 水平垂直個別 / Off |
| 画像反転機能 | 上下反転 / 左右反転 / 上下左右反転 / Off |
| 画素欠陥補正 | 最大 32 点 |
| ユーザ設定保存 | 対応 (8設定) |
| ホワイトバランス | オート / マニュアル / プッシュセットホワイトバランス |
| FFC機能 | N/A |
| 自動制御機能 | オートシャッタ / オートゲイン / オートホワイトバランス |
| チャンク機能 | 対応 |
| イベント機能 | 対応 |
| PTP機能 (IEEE1588) | N/A |
DIMENSIONS
外形図

SPECTROGRAM
分光図
DOWNLOAD
関連資料ダウンロード
資料のダウンロードについて
このページでは、お客さまの利便性向上のためCookie※を利用しています。
はじめて資料をダウンロードする際は、お申し込みフォームに必要事項をご入力いただきますが、
次回以降は同じブラウザからのアクセスであれば入力を省略して、すぐに資料をダウンロード可能です。
フォームから送られるお客さまの個人情報は、サービスのご案内など、本サービスの運営目的のみに使用し、
安全に管理いたしますので、どうぞ安心してご利用ください。
資料ダウンロード
【STC-MCE132U3V】の仕様書、外観図などの資料をダウンロードいただけます。
※はじめてご利用される際は、資料ダウンロードお申し込みフォームに移動します。
※はじめてご利用される際は、資料ダウンロードお申し込みフォームに移動します。
ソフトウェアダウンロード
製品を使用する上で必要となるソフトウェアをダウンロードいただけます。
-
ソフトウェアダウンロード
GigE Vision / USB3 Vision / CoaXPress カメラ ソフトウェア (Sentech SDK) ダウンロード
-
ソフトウェアダウンロード
ファクトリードライブレコーダー ダウンロード
製品総合カタログ ダウンロード
当社が提供する製品総合カタログがダウンロードいただけます。
※はじめてご利用される際は、資料ダウンロードお申し込みフォームに移動します。
※はじめてご利用される際は、資料ダウンロードお申し込みフォームに移動します。
OTHER PRODUCTS
USB3 Visionカメラの製品
お問合せ
お見積もり、製品仕様、購入方法、保守・修理など、
ご不明な点がございましたらお気軽にお問合せください。
本社・営業部046-236-6660
京都営業所075-644-9377
メールマガジン登録
新製品、生産終了品の製品情報、展示会のご案内など、
最新の情報をお届けいたします。