STC-P63SCJ
SPEC
スペックシート
仕様
| 型番 | STC-P63SCJ |
|---|---|
| カメラタイプ | エリアカメラ |
| 解像度 | PAL (0.69MP) |
| カラー/モノクロ | カラー |
| 有効画素数 | 752 (H) x 582 (V) |
| フレームレート | 50.0 fps |
| インターフェース | アナログ TVフォーマット |
| プロトコル | PAL (ITU-R BT.1700) |
| 電源 | 外部電源 (+8 ~ +13 Vdc) |
| 消費電力 | 1.0 W以下 |
| 動作温度 | 下限: -5 ℃ (周辺環境温度) 上限: +45 ℃ (周辺環境温度) |
| 保存温度 | 下限: -30 ℃ (周辺環境温度) 上限: +65 ℃ (周辺環境温度) |
センサ
| センサ型式 | SONY ICX639 |
|---|---|
| センサシャッタタイプ | グローバルシャッタ |
| センササイズ | 1/3" |
| センサ画素サイズ | 6.35 (H) x 7.40 (V) µm |
機構
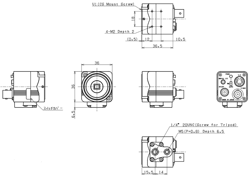
| 外形寸法 | 36 (W) x 36 (H) x 37 (D) mm |
|---|---|
| 質量 | 約 70 g |
| レンズマウント | CSマウント |
| 光学フィルタ | IR カットフィルタ有り |
| インターフェース コネクタ |
BNC x 1 個 |
| 電源・信号コネクタ | 電源: DCジャック x 1 個 Y/C: S端子 x 1 個 制御: 3.5mmステレオジャック x 1 個 |
機能
| スキャンモード | フルスキャン |
|---|---|
| 動作モード | フリーラン |
| 画像出力 フォーマット |
PAL (ITU-R BT.1700) |
| 露光時間 | 1/100,000 ~ 1/50 秒 |
| ゲイン (アナログ) | 対応 |
| ゲイン (デジタル) | N/A |
| ガンマ | 0.45 |
| ビニング | N/A |
| デシメーション | N/A |
| 画像反転機能 | 左右反転 / Off |
| 画素欠陥補正 | N/A |
| ユーザ設定保存 | 対応 |
| ホワイトバランス | オート / ロック / プッシュセットホワイトバランス |
| FFC機能 | N/A |
| 自動制御機能 | オートシャッタ / オートゲイン / オートホワイトバランス |
| チャンク機能 | N/A |
| イベント機能 | N/A |
| PTP機能 (IEEE1588) | N/A |
DIMENSIONS
外形図

SPECTROGRAM
分光図
DOWNLOAD
関連資料ダウンロード
資料のダウンロードについて
このページでは、お客さまの利便性向上のためCookie※を利用しています。
はじめて資料をダウンロードする際は、お申し込みフォームに必要事項をご入力いただきますが、
次回以降は同じブラウザからのアクセスであれば入力を省略して、すぐに資料をダウンロード可能です。
フォームから送られるお客さまの個人情報は、サービスのご案内など、本サービスの運営目的のみに使用し、
安全に管理いたしますので、どうぞ安心してご利用ください。
資料ダウンロード
【STC-P63SCJ】の仕様書、外観図などの資料をダウンロードいただけます。
※はじめてご利用される際は、資料ダウンロードお申し込みフォームに移動します。
※はじめてご利用される際は、資料ダウンロードお申し込みフォームに移動します。
製品総合カタログ ダウンロード
当社が提供する製品総合カタログがダウンロードいただけます。
※はじめてご利用される際は、資料ダウンロードお申し込みフォームに移動します。
※はじめてご利用される際は、資料ダウンロードお申し込みフォームに移動します。
OTHER PRODUCTS
アナログ / TVフォーマットカメラの製品
お問合せ
お見積もり、製品仕様、購入方法、保守・修理など、
ご不明な点がございましたらお気軽にお問合せください。
本社・営業部046-236-6660
京都営業所075-644-9377
メールマガジン登録
新製品、生産終了品の製品情報、展示会のご案内など、
最新の情報をお届けいたします。