STC-RCS323GV2CA
SPEC
スペックシート
仕様
| 型番 | STC-RCS323GV2CA |
|---|---|
| カメラタイプ | エリアカメラ |
| 解像度 | 3.2MP |
| カラー/モノクロ | カラー |
| 有効画素数 | 2,048 (H) x 1,536 (V) |
| フレームレート | 101.8 fps |
| インターフェース | GVIF2 (USB3 Vision変換CCU) |
| プロトコル | GVIF2 |
| 電源 | Power over GVIF (+12V) |
| 消費電力 | 3.5 W 以下 |
| 動作温度 | 下限: 0 ℃ (周辺環境温度) 上限: +50 ℃ (筐体温度) |
| 保存温度 | 下限: -25 ℃ (周辺環境温度) 上限: +80 ℃ (周辺環境温度) |
センサ
| センサ型式 | SONY IMX900 |
|---|---|
| センサシャッタタイプ | グローバルシャッタ |
| センササイズ | 1/3.1" |
| センサ画素サイズ | 2.25 (H) x 2.25 (V) µm |
機構
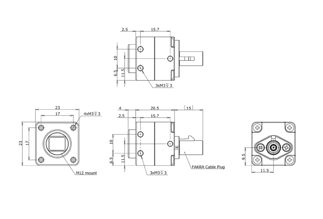
| 外形寸法 | 23 (W) x 23 (H) x 24.5 (D) mm |
|---|---|
| 質量 | 約 25 g |
| レンズマウント | Sマウント |
| 光学フィルタ | IRカットフィルタ有り |
| インターフェース コネクタ |
FAKRA x 1 個 (電源・信号コネクタ共通) |
| 電源・信号コネクタ | FAKRA x 1 個 (インターフェースコネクタ共通) |
機能
| スキャンモード | フルスキャン / ROI |
|---|---|
| 動作モード | エッジプリセットトリガ / フリーラン |
| 画像出力 フォーマット |
BayerRG8 / BayerRG10 / BayerRG12 BayerRG10 Packed / BayerRG12 Packed |
| 露光時間 | 20 µ 秒 ~ 2 秒 |
| ゲイン (アナログ) | 0 ~ 42.0 dB |
| ゲイン (デジタル) | 1 ~ 7 倍 |
| ガンマ | 0.10 ~ 4.00 |
| ビニング | N/A |
| デシメーション | x2 水平垂直同時 / Off |
| 画像反転機能 | 上下反転 / 左右反転 / 上下左右反転 / Off |
| 画素欠陥補正 | 最大 1,024 点 |
| ユーザ設定保存 | 対応 (8設定) |
| ホワイトバランス | オート / マニュアル / プッシュセットホワイトバランス |
| FFC機能 | 対応 |
| 自動制御機能 | オートシャッタ / オートゲイン / オートホワイトバランス |
| チャンク機能 | N/A |
| イベント機能 | N/A |
| PTP機能 (IEEE1588) | N/A |
* S マウント: M12 P=0.5
DIMENSIONS
外形図

SPECTROGRAM
分光図
DOWNLOAD
関連資料ダウンロード
資料のダウンロードについて
このページでは、お客さまの利便性向上のためCookie※を利用しています。
はじめて資料をダウンロードする際は、お申し込みフォームに必要事項をご入力いただきますが、
次回以降は同じブラウザからのアクセスであれば入力を省略して、すぐに資料をダウンロード可能です。
フォームから送られるお客さまの個人情報は、サービスのご案内など、本サービスの運営目的のみに使用し、
安全に管理いたしますので、どうぞ安心してご利用ください。
資料ダウンロード
【STC-RCS323GV2CA】の仕様書、外観図などの資料をダウンロードいただけます。
※はじめてご利用される際は、資料ダウンロードお申し込みフォームに移動します。
※はじめてご利用される際は、資料ダウンロードお申し込みフォームに移動します。
ソフトウェアダウンロード
製品を使用する上で必要となるソフトウェアをダウンロードいただけます。
-
ソフトウェアダウンロード
GigE Vision / USB3 Vision / CoaXPress カメラ ソフトウェア (Sentech SDK) ダウンロード
製品総合カタログ ダウンロード
当社が提供する製品総合カタログがダウンロードいただけます。
※はじめてご利用される際は、資料ダウンロードお申し込みフォームに移動します。
※はじめてご利用される際は、資料ダウンロードお申し込みフォームに移動します。
お問合せ
お見積もり、製品仕様、購入方法、保守・修理など、
ご不明な点がございましたらお気軽にお問合せください。
本社・営業部046-236-6660
京都営業所075-644-9377
メールマガジン登録
新製品、生産終了品の製品情報、展示会のご案内など、
最新の情報をお届けいたします。