STC-BCS202POE-BL
Specification Sheet
Specifications
| Product Model | STC-BCS202POE-BL |
|---|---|
| Camera Type | Area Camera |
| Resolutions | 2MP |
| Color / Monochrome |
Color |
| Effective Pixels | 1,624 (H) x 1,240 (V) |
| Frame Rate | 54.6 fps |
| Interface | PoE: IEEE802.3af CLASS2 (1000BASE-T) |
| Protocol | GigE Vision 2.1 |
| Power Supply | Power Over Ethernet (PoE) (IEEE802.3af) |
| Power Consumptions | Less than 5.6 W |
| Operational Temperature | Lower limit: 0 deg. C (Environmental temperature) Upper limit: +66 deg. C (Temperature sensor on camera) |
| Storage Temperature | Lower limit: -20 deg. C (Environmental temperature) Upper limit: +70 deg. C (Environmental temperature) |
Sensor
| Image Sensor | SONY IMX430 |
|---|---|
| Shutter Type | Global Shutter |
| Optical Size | 1/1.7" |
| Cell Size | 4.5 (H) x 4.5 (V) μm |
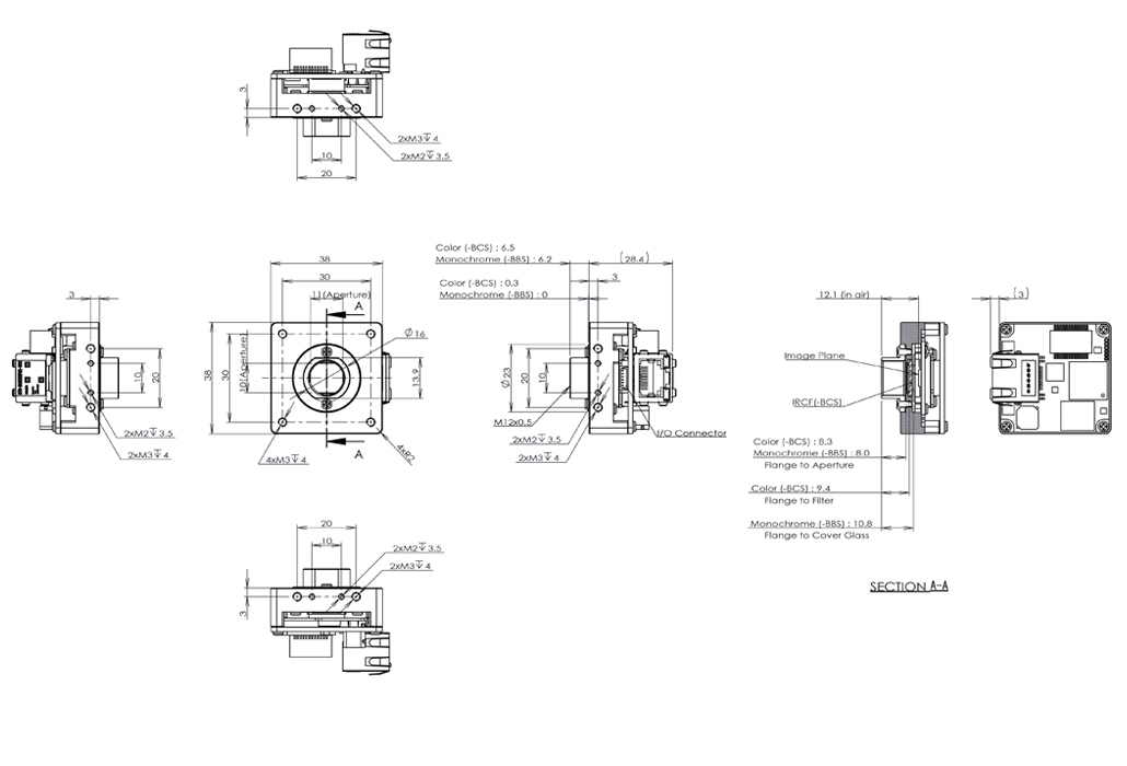
| Dimensions | 38 (W) x 38 (H) x 34.9 (D) mm |
|---|---|
| Weight | Approximately 48 g |
| Lens Mount | S Mount |
| Optical Filter | IR cut filter on it |
| Interface Connector |
RJ45 connector x 1 |
| Power / Signal Connector | SM06B-SRSS (JST) x 1 |
| Scanning Mode | Full scanning / ROI |
|---|---|
| Operational Mode | Edge preset trigger / Pulse width trigger / Free-run |
| Image Pixel Format |
Mono8 / Mono10 / Mono12 / Mono10Packed / Mono12Packed BayerRG8 / BayerRG10 / BayerRG12 / BayerRG10Packed / BayerRG12Packed RGB8 |
| Exposure Time | 1 µs to 16.777 seconds |
| Analog Gain | 0 to 20.8 dB |
| Digital Gain | x1 to x3 |
| Gamma | 0.1 to 4.0 |
| Binning | N/A |
| Decimation | x2 horizontal and vertical / Off |
| Image Flip | Vertical flip / Horizontal flip / Vertical and horizontal flip / Off |
| Defective Pixel Correction | Up to 2,048 pixels |
| Save User Settings | Support (Eight settings) |
| White Balance | Auto exposure / Auto gain |
| FFC (Flat Filed Correction) Function | N/A |
| Auto Control Function | Auto / Manual / Push to set white balance |
| Chunk Function | Support |
| Event Function | Support |
| PTP Function (IEEE1588) | Support |
Dimensions

Spectral Characteristics
Related Documents Downloads
Documents Download Information
This page uses cookies* to enhance user convenience.
When you download materials for the first time, please fill out the required fields in the application form below.
From the second time onward, if you access from the same browser, the input will be skipped and you can download the materials immediately.
The personal information you provide through the form will be used only for the purpose of operating this service, such as providing information about our services.
Your information will be managed securely, so please use this service with confidence.
Document Downloads
If this is your first time to download materials, you will be redirected to the document download request form.
Software Downloads
-
Software Downloads
Software (Sentech SDK) Download for GigE Vision / USB3 Vision / CoaXPress cameras
-
Software Downloads
Factory Drive Recorder Download
General Catalog Download
Product Inquiry
【STC-BCS202POE-BL】,
please contact us here.
Product in GigE Vision Cameras
Product Categories
Contact
For any questions about our products and services,
including specifications and technical support, please feel free to contact us.
Headquarters,
Sales Department+81 46236-6660
Newsletter Subscription
Stay up-to-date with our latest news, including new product releases,
information on discontinued products, and upcoming trade shows.