STC-HD213DVN
SPEC
スペックシート
仕様
| 型番 | STC-HD213DVN |
|---|---|
| カメラタイプ | エリアカメラ |
| 解像度 | 1080P |
| カラー/モノクロ | カラー |
| 有効画素数 | 1,920 (H) x 1,080 (V) |
| フレームレート | 60.0 fps |
| インターフェース | DVI 1.0 (RGB) |
| プロトコル | DVI 1.0 |
| 電源 | 外部電源 (+9 ~ +15 Vdc) |
| 消費電力 | 2.1 W 以下 |
| 動作温度 | 下限: 0 ℃ (周辺環境温度) 上限: +48 ℃ (周辺環境温度) |
| 保存温度 | 下限: -25 ℃ (周辺環境温度) 上限: +65 ℃ (周辺環境温度) |
センサ
| センサ型式 | SONY IMX291 |
|---|---|
| センサシャッタタイプ | ローリングシャッタ |
| センササイズ | 1/2.8" |
| センサ画素サイズ | 2.9 (H) x 2.9 (V) µm |
機構
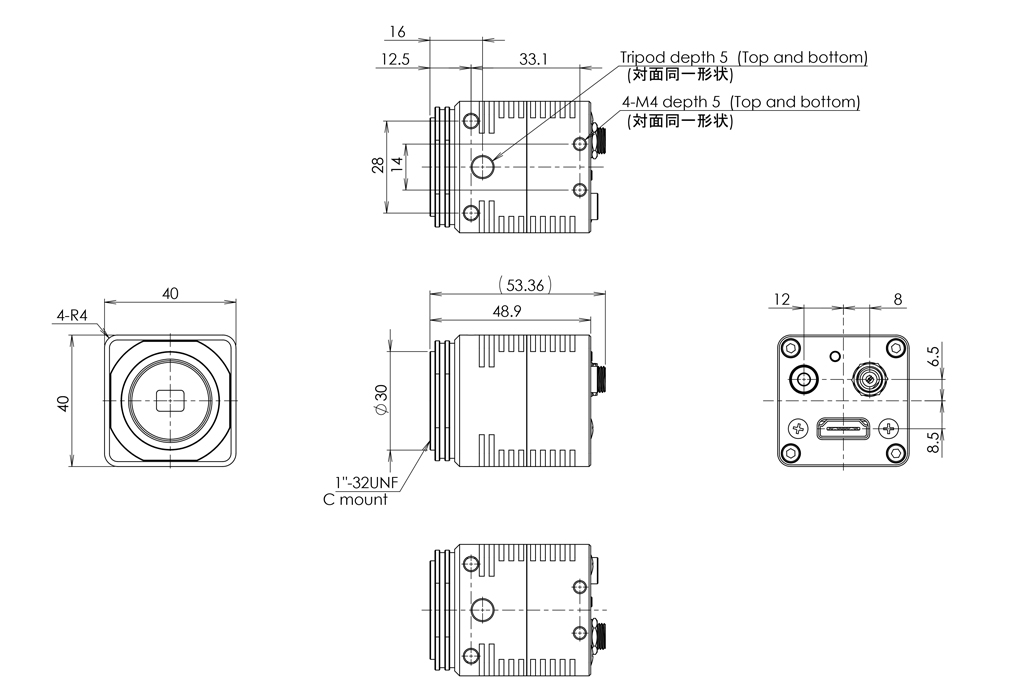
| 外形寸法 | 40 (W) x 40 (H) x 48.9 (D) mm |
|---|---|
| 質量 | 約 129 g |
| レンズマウント | Cマウント |
| 光学フィルタ | IR カットフィルタ付き OPLF有り |
| インターフェース コネクタ |
HDMI x 1個 |
| 電源・信号コネクタ | 電源: DC電源ジャック (PC721A) x 1個 通信/制御: 3.5mmステレオジャック x 1個 |
機能
| スキャンモード | 1080P60 / 1080P59.94 / 1080P50 / 1080P30 / 1080P29.97 / 1080P25 / 1080i60 / 1080i59.94 / 1080i50 / 720P60 / 720P59.94 / 720P50 |
|---|---|
| 動作モード | フリーラン |
| 画像出力 フォーマット |
RGB8bit |
| 露光時間 | 29.6 µ秒 ~ 2.12 秒 |
| ゲイン (アナログ) | 0 ~ 45 dB (デジタル含む) |
| ゲイン (デジタル) | N/A |
| ガンマ | マニュアル / 0.3 / 0.45 / 0.5 / 0.6 / 0.7 / 0.8 / 0.9 / 1.0 |
| ビニング | N/A |
| デシメーション | N/A |
| 画像反転機能 | 上下反転 / 左右反転 / 上下左右反転 / Off |
| 画素欠陥補正 | 最大 256点 |
| ユーザ設定保存 | 対応 |
| ホワイトバランス | オート / マニュアル /プッシュセットホワイトバランス |
| FFC機能 | N/A |
| 自動制御機能 | オートシャッタ / オートゲイン / オートホワイトバランス |
| チャンク機能 | N/A |
| イベント機能 | N/A |
| PTP機能 (IEEE1588) | N/A |
DIMENSIONS
外形図

SPECTROGRAM
分光図
DOWNLOAD
関連資料ダウンロード
資料のダウンロードについて
このページでは、お客さまの利便性向上のためCookie※を利用しています。
はじめて資料をダウンロードする際は、お申し込みフォームに必要事項をご入力いただきますが、
次回以降は同じブラウザからのアクセスであれば入力を省略して、すぐに資料をダウンロード可能です。
フォームから送られるお客さまの個人情報は、サービスのご案内など、本サービスの運営目的のみに使用し、
安全に管理いたしますので、どうぞ安心してご利用ください。
資料ダウンロード
【STC-HD213DVN】の仕様書、外観図などの資料をダウンロードいただけます。
※はじめてご利用される際は、資料ダウンロードお申し込みフォームに移動します。
※はじめてご利用される際は、資料ダウンロードお申し込みフォームに移動します。
ソフトウェアダウンロード
製品を使用する上で必要となるソフトウェアをダウンロードいただけます。
-
ソフトウェアダウンロード
HDカメラ (STC-HD213DV / STC-HD213SDI / STC-HD203DV / STC-HD203SDI)
製品総合カタログ ダウンロード
当社が提供する製品総合カタログがダウンロードいただけます。
※はじめてご利用される際は、資料ダウンロードお申し込みフォームに移動します。
※はじめてご利用される際は、資料ダウンロードお申し込みフォームに移動します。
OTHER PRODUCTS
HDカメラの製品
お問合せ
お見積もり、製品仕様、購入方法、保守・修理など、
ご不明な点がございましたらお気軽にお問合せください。
本社・営業部046-236-6660
京都営業所075-644-9377
メールマガジン登録
新製品、生産終了品の製品情報、展示会のご案内など、
最新の情報をお届けいたします。