STC-SBA1002POE
SPEC
スペックシート
仕様
| 型番 | STC-SBA1002POE |
|---|---|
| カメラタイプ | エリアカメラ |
| 解像度 | 10MP |
| カラー/モノクロ | モノクロ |
| 有効画素数 | 3,856 (H) x 2,764 (V) |
| フレームレート | 10.4 fps |
| インターフェース | PoE: IEEE802.3af CLASS1 (1000BASE-T) |
| プロトコル | GigE Vision 1.2 |
| 電源 | Power Over Ethernet (IEEE802.3af 準拠) 外部電源 (+10.8 ~ +26.4 Vdc) |
| 消費電力 | PoE: 3.3 W以下 外部電源: 2.9 W以下 |
| 動作温度 | 下限: 0 ℃ (周辺環境温度) 上限: +52 ℃ (筐体温度) |
| 保存温度 | 下限: -20 ℃ (周辺環境温度) 上限: +80 ℃ (周辺環境温度) |
センサ
| センサ型式 | onsemi MT9J003 |
|---|---|
| センサシャッタタイプ | グローバルシャッタ/ローリングシャッタ |
| センササイズ | 1/2.3" |
| センサ画素サイズ | 1.67 (H) x 1.67 (V) µm |
機構
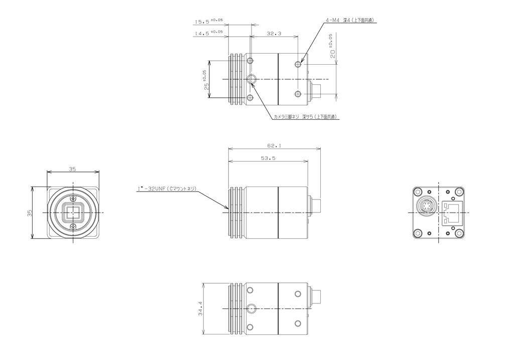
| 外形寸法 | 35 (W) x 35 (H) x 53.5 (D) mm |
|---|---|
| 質量 | 約 120 g |
| レンズマウント | Cマウント |
| 光学フィルタ | 光学フィルタ無し |
| インターフェース コネクタ |
RJ45 コネクタ x 1 個 |
| 電源・信号コネクタ | HR10A-7R-6PB (ヒロセ電機) 相当品 x 1 個 |
機能
| スキャンモード | フルスキャン / ROI |
|---|---|
| 動作モード | エッジプリセットトリガ / パルス幅トリガ / フリーラン |
| 画像出力 フォーマット |
Mono8 / Mono10 / Mono12 / Mono10Packed / Mono12Packed |
| 露光時間 | 26 µ秒 ~ 16.777 秒 |
| ゲイン (アナログ) | 0 ~ 24 dB |
| ゲイン (デジタル) | 1 ~ 2 倍 |
| ガンマ | 0.1 ~ 4.0 |
| ビニング | x2 水平垂直個別 / x4 水平垂直個別 / Off |
| デシメーション | x2 水平垂直個別 / x4 水平垂直個別 / Off |
| 画像反転機能 | 上下反転 / 左右反転 / 上下左右反転 / Off |
| 画素欠陥補正 | 最大 64 点 |
| ユーザ設定保存 | 対応 (8設定) |
| ホワイトバランス | N/A |
| FFC機能 | N/A |
| 自動制御機能 | オートシャッタ / オートゲイン |
| チャンク機能 | 対応 |
| イベント機能 | 対応 |
| PTP機能 (IEEE1588) | N/A |
DIMENSIONS
外形図

SPECTROGRAM
分光図
DOWNLOAD
関連資料ダウンロード
資料のダウンロードについて
このページでは、お客さまの利便性向上のためCookie※を利用しています。
はじめて資料をダウンロードする際は、お申し込みフォームに必要事項をご入力いただきますが、
次回以降は同じブラウザからのアクセスであれば入力を省略して、すぐに資料をダウンロード可能です。
フォームから送られるお客さまの個人情報は、サービスのご案内など、本サービスの運営目的のみに使用し、
安全に管理いたしますので、どうぞ安心してご利用ください。
資料ダウンロード
【STC-SBA1002POE】の仕様書、外観図などの資料をダウンロードいただけます。
※はじめてご利用される際は、資料ダウンロードお申し込みフォームに移動します。
※はじめてご利用される際は、資料ダウンロードお申し込みフォームに移動します。
ソフトウェアダウンロード
製品を使用する上で必要となるソフトウェアをダウンロードいただけます。
-
ソフトウェアダウンロード
GigE Vision / USB3 Vision / CoaXPress カメラ ソフトウェア (Sentech SDK) ダウンロード
製品総合カタログ ダウンロード
当社が提供する製品総合カタログがダウンロードいただけます。
※はじめてご利用される際は、資料ダウンロードお申し込みフォームに移動します。
※はじめてご利用される際は、資料ダウンロードお申し込みフォームに移動します。
お問合せ
お見積もり、製品仕様、購入方法、保守・修理など、
ご不明な点がございましたらお気軽にお問合せください。
本社・営業部046-236-6660
京都営業所075-644-9377
メールマガジン登録
新製品、生産終了品の製品情報、展示会のご案内など、
最新の情報をお届けいたします。