STC-SPB881PCL
SPEC
スペックシート
仕様
| 型番 | STC-SPB881PCL |
|---|---|
| カメラタイプ | エリアカメラ |
| 解像度 | 8.9MP |
| カラー/モノクロ | モノクロ |
| 有効画素数 | 4,096 (H) x 2,160 (V) |
| フレームレート | 20.6 fps |
| インターフェース | Camera Link Base |
| プロトコル | Camera Link 2.1 |
| 電源 | PoCL 外部電源 (+12 Vdc) |
| 消費電力 | 2.8 W以下 |
| 動作温度 | 下限: 0 ℃ (周辺環境温度) 上限: +45 ℃ (周辺環境温度) |
| 保存温度 | 下限: -20 ℃ (周辺環境温度) 上限: +75 ℃ (周辺環境温度) |
センサ
| センサ型式 | SONY IMX267 |
|---|---|
| センサシャッタタイプ | グローバルシャッタ |
| センササイズ | 1" |
| センサ画素サイズ | 3.45 (H) x 3.45 (V) µm |
機構
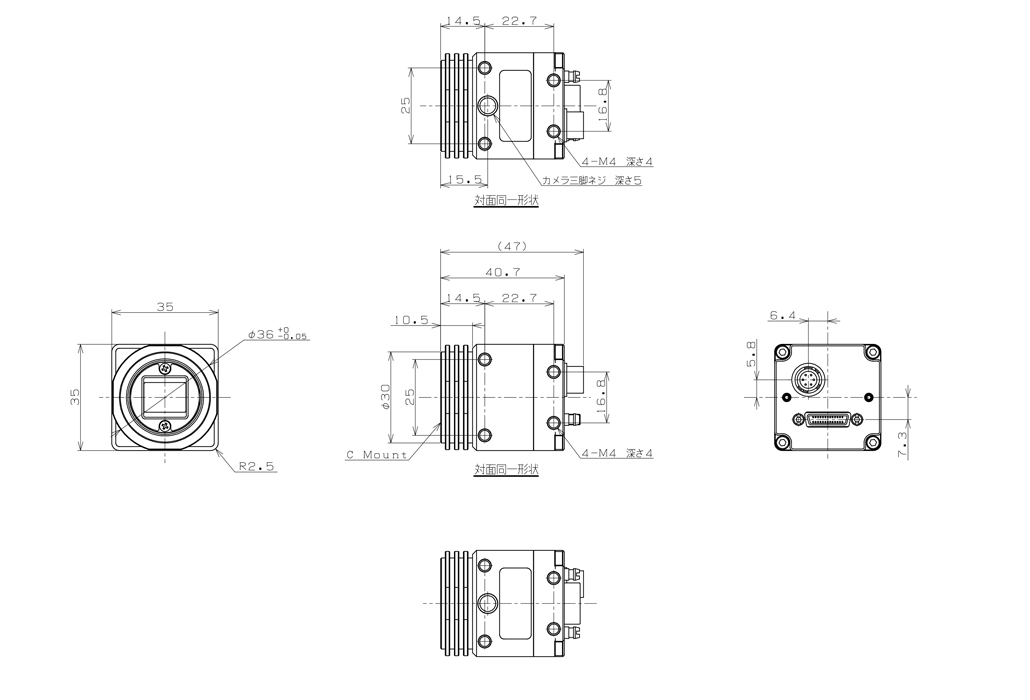
| 外形寸法 | 35 (W) x 35 (H) x 40.7 (D) mm |
|---|---|
| 質量 | 約 69 g |
| レンズマウント | Cマウント |
| 光学フィルタ | 光学フィルタ無し |
| インターフェース コネクタ |
SDR x 1 個 |
| 電源・信号コネクタ | HR10A-7R-6PB (ヒロセ電機) 相当品 x 1 個 |
機能
| スキャンモード | フルスキャン / ROI |
|---|---|
| 動作モード | エッジプリセットトリガ / パルス幅トリガ / フリーラン |
| 画像出力 フォーマット |
Mono8 / Mono10 / Mono12 |
| 露光時間 | 1 µ秒 ~ 16.777 秒 |
| ゲイン (アナログ) | 0 ~ 18 dB |
| ゲイン (デジタル) | 1 ~ 11.59 倍 |
| ガンマ | プログラマブル (任意 32 点テーブル) / Off (1.0) |
| ビニング | x2 垂直のみ / Off |
| デシメーション | x2 水平垂直同時 / Off |
| 画像反転機能 | 上下反転 / 左右反転 / 上下左右反転 / Off |
| 画素欠陥補正 | 最大 256 点 |
| ユーザ設定保存 | 対応 |
| ホワイトバランス | N/A |
| FFC機能 | N/A |
| 自動制御機能 | N/A |
| チャンク機能 | N/A |
| イベント機能 | N/A |
| PTP機能 (IEEE1588) | N/A |
DIMENSIONS
外形図

SPECTROGRAM
分光図
DOWNLOAD
関連資料ダウンロード
資料のダウンロードについて
このページでは、お客さまの利便性向上のためCookie※を利用しています。
はじめて資料をダウンロードする際は、お申し込みフォームに必要事項をご入力いただきますが、
次回以降は同じブラウザからのアクセスであれば入力を省略して、すぐに資料をダウンロード可能です。
フォームから送られるお客さまの個人情報は、サービスのご案内など、本サービスの運営目的のみに使用し、
安全に管理いたしますので、どうぞ安心してご利用ください。
資料ダウンロード
【STC-SPB881PCL】の仕様書、外観図などの資料をダウンロードいただけます。
※はじめてご利用される際は、資料ダウンロードお申し込みフォームに移動します。
※はじめてご利用される際は、資料ダウンロードお申し込みフォームに移動します。
ソフトウェアダウンロード
製品を使用する上で必要となるソフトウェアをダウンロードいただけます。
-
ソフトウェアダウンロード
Camera Link / Opt-C:Link / プログレッシブアナログカメラ ソフトウェアダウンロード
製品総合カタログ ダウンロード
当社が提供する製品総合カタログがダウンロードいただけます。
※はじめてご利用される際は、資料ダウンロードお申し込みフォームに移動します。
※はじめてご利用される際は、資料ダウンロードお申し込みフォームに移動します。
お問合せ
お見積もり、製品仕様、購入方法、保守・修理など、
ご不明な点がございましたらお気軽にお問合せください。
本社・営業部046-236-6660
京都営業所075-644-9377
メールマガジン登録
新製品、生産終了品の製品情報、展示会のご案内など、
最新の情報をお届けいたします。